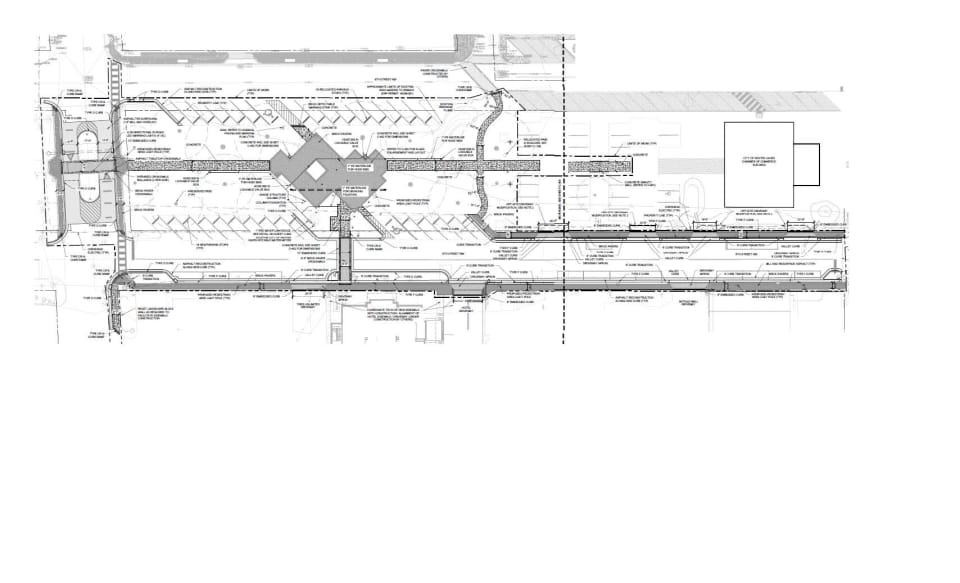
Joyce B. Davis Park Renovation
Joyce B Davis Park is part of the Downtown Linear Park System. It is located between 4th and 5th Street NW and south of Avenue D NW. The Park is right between Carlton Music and the new StayBridge Hotel and adjacent to the Chamber of Commerce. The mature shade trees provide a great setting for this site and with the addition of a plaza with seating, lighting and some upgraded landscaping it will be a great enhancement to our downtown. 5th Street NW will also recieve a fresh upgrade with paver sidewalks, street lights and landscaping. A raised paver crosswalk on Avenue D NW will complete this project and enhance the safety for pedestrians in this area.
Staff Contact
Angie Hibbard
AHibbard@MyWinterHaven.com
863-291-5656 x5016
Stay Informed
Get notified on upcoming engagements and the latest project related news.
Project Timeline
Pre-Construction Meetings & Coordination
Renovation / Construction
Project Updates
Demolition of Sidewalks along 5th Street NW Begins
Demolition of Sidewalks along 5th Street NW Begins
Renovation Begins
Trail/ Sidewalk thru Joyce B Davis Park detour map
Tree Trimming
Tree Trimming in Preparation for Renovations
Chain of Lakes Trail/ Sidewalk through Joyce B Davis Park closed
Chain of Lakes Trail/ Sidewalk through Joyce B Davis Park Closed
Important Dates
Downtown Business Construction Update
Monthly meeting to provide an update on Downtown projects. This meeting happens at 8:30 at the Ritz Theatre in Downtown Winter Haven.